Couldn't load pickup availability
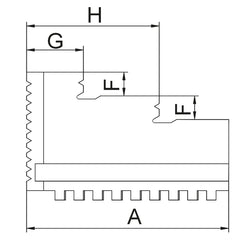
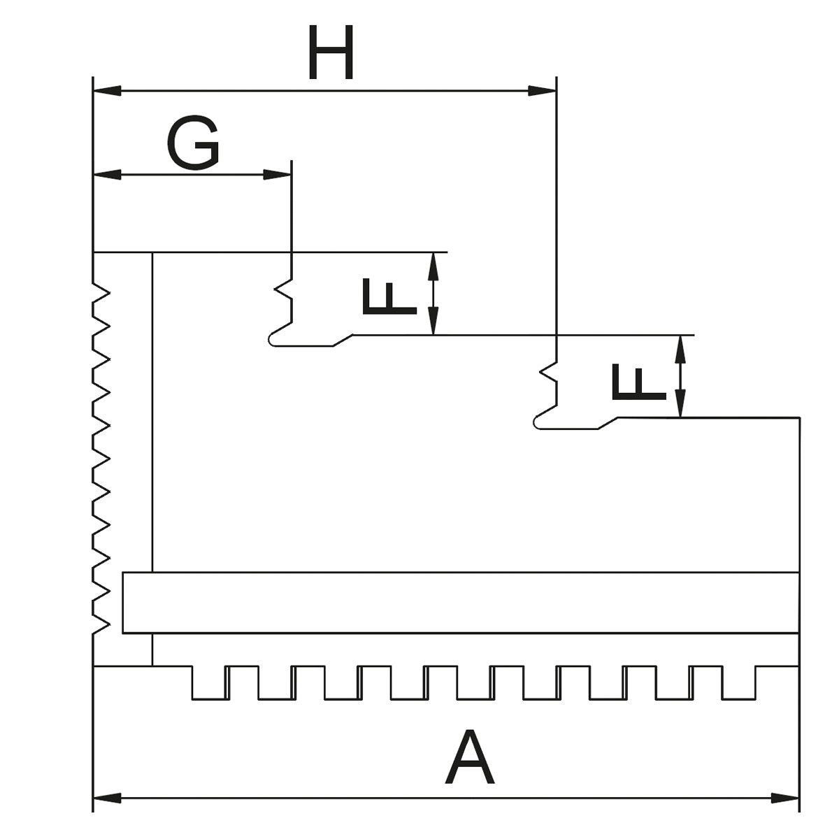
Futtergröße |
500 mm |
A |
180 mm |
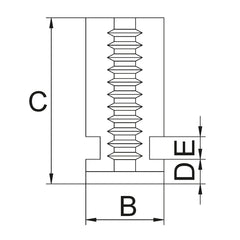
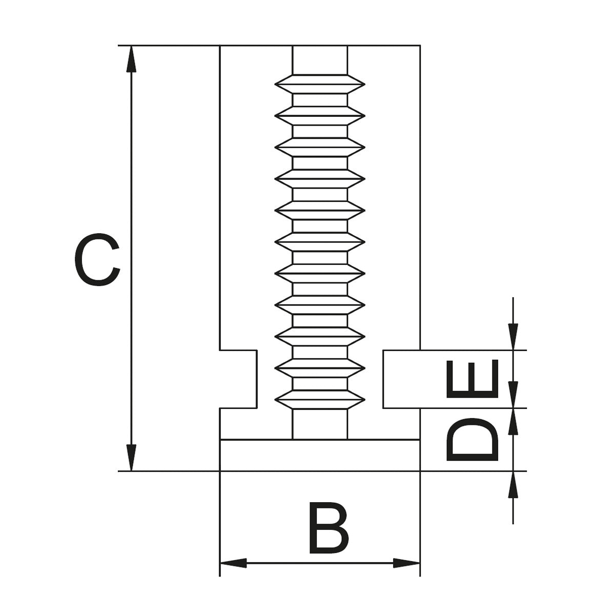
B |
40 mm |
C |
100 mm |
D |
16 mm |
E |
14 mm |
F |
26 mm |
H |
119,5 mm |
G |
50 mm |
Thanks for subscribing!
This email has been registered!
Produkt | SKU | Beschreibung | Sammlung | Availability | Product Type | Other Details |
---|